Subtotale: €548,50
Manuale di assistenza Yanmar 2TNV70 – 3TNV70 – 3TN76 | Goldoni | Takeuchi | Hitachi
Fascia di prezzo: da €14,50 a €28,50 IVA inclusa (-36%)
✔ Ordinato entro le 16:00 = consegnati entro lunedì
✔ Garanzia fino a 2 anni
✔ Scambio possibile entro 14 giorni
✔ Valutazione dei clienti 8,6/10
? Manuale di assistenza per motori diesel Yanmar – Serie TNV
Per i tipi di motore: 2TNV70, 3TNV70, 3TNV76
Questo manuale di assistenza originale Yanmar è la guida tecnica perfetta per meccanici, professionisti e appassionati del fai da te che lavorano con motori diesel della serie TNV . Ideale per la manutenzione, la riparazione e una conoscenza completa del motore.
✅ Contenuto del manuale:
-
Dati tecnici completi dei motori 2TNV70, 3TNV70 e 3TNV76
-
Specifiche , tolleranze, coppie di serraggio, giochi valvole e altro ancora
-
Istruzioni passo passo per la manutenzione, lo smontaggio, l’ispezione e il montaggio
-
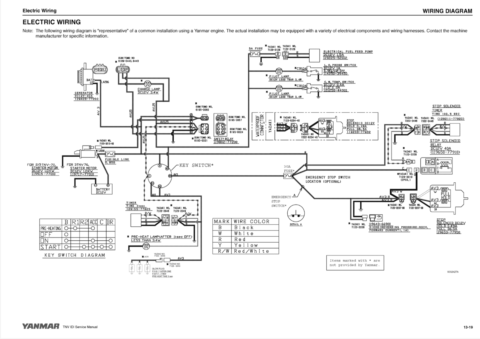
Viste esplose e diagrammi per una facile identificazione delle parti
-
Informazioni dettagliate sul sistema di alimentazione, raffreddamento, lubrificazione e parti interne
? Specifiche:
-
Lingua: inglese
-
Numero di pagine: 140
-
Formato: riproduzione digitale ad alta risoluzione (PDF), ideale per la stampa o l’uso su laptop/tablet
?️ Applicazioni:
Comunemente utilizzato, tra gli altri, in:
-
Miniescavatori
-
trattori compatti
-
Macchine industriali
-
Aggregati e sistemi di pompaggio
Ammann
-
AV 12-2, AV 16-2, AV 16-2 K, AV 20-2
Fuchs
-
F853
Gehl
-
AL-140
Goldoni
-
Boxster 20, Boxster 25
Hitachi
-
ZX 17-U5A, ZX 19-U5A, ZX 26U-5A (asse Z)
John Deere
-
X495, X595, X740, X744, X748, X950
-
1026R, 2026R, 2305, 2320
-
XUV850D
Komatsu
-
3D70E, 3D76E
-
PC22MR-3, PC26MR-3
Kramer
-
250, 348-00, 0001 →
Landini
-
4630 BRACCIO, 4630 ISM
Maeda
-
MC-305C-2
Mase
-
È 7.6, È 8.1, Mariner 810
McCormick
-
4630 BRACCIO, 4630 ISM
Mosa
-
GE 10 YSX, GE 10 YSXC, GE 8 YSXC
Mustang
-
AL-106, 1503, 2803ZT
Takeuchi
-
TB219, TB20R
Valpadana
-
4630 BRACCIO, 4630 ISM
Wacker Neuson
-
1404, 1703, 2003, 2404, 28Z3, ET18, ET20, ET24, EZ17, EZ28
Yanmar
-
SV15, SV17, SV18
-
Motori: 3TNV70, 3TNV70-ASA, 3TNV70-HGE, 3TNV76
Informazioni aggiuntive
| Peso | 0,4 kg |
|---|---|
| Marchio | Goldoni, John Deere, Landini, Mustang, Takeuchi, Wacker Neuson, Yanmar |
| Opzioni |
Spediamo gli ordini effettuati entro le 16:00 lo stesso giorno.
Riceverai da noi una email con un codice di tracciamento.
Le spedizioni nei Paesi Bassi e in Belgio vengono generalmente consegnate il giorno lavorativo successivo.
| Paese/i | Metodi di Spedizione | Tempi di Consegna | Costi di Spedizione |
|---|---|---|---|
| Italia, Spagna, Portogallo, Irlanda | UPS Standard | 2-5 giorni lavorativi | €11,53 |
| Italia, Spagna, Portogallo, Irlanda | UPS Access Point | 2-5 giorni lavorativi | €11,53 |
| Italia, Spagna, Portogallo, Irlanda | UPS Express Variabile | 1-3 giorni lavorativi | 0-5 kg | €15 5-10 kg | €24,75 10 kg > | €26,86 |
| Regno Unito (UK) | UPS Standard | 2-5 giorni lavorativi | €12,50 |
| Regno Unito (UK) | UPS Access Point | 2-5 giorni lavorativi | €12,50 |
| Regno Unito (UK) | UPS Express Variabile | 1-2 giorni lavorativi | 0-5 kg | €18,50 5-10 kg | €27,50 10 kg > | €32,50 |
| Finlandia | UPS Standard | 2-5 giorni lavorativi | €12 |
| Finlandia | UPS Access Point | 2-5 giorni lavorativi | €12 |
| Finlandia | UPS Express Saver | 1-2 giorni lavorativi | €20 |
| Cipro | DPD Home | 5-7 giorni lavorativi | €29,50 |
| Paesi Bassi | DPD Home | 1-2 giorni lavorativi | €4,92 |
| Paesi Bassi | DPD Punto di Ritiro | 1-2 giorni lavorativi | €4,09 |
| Paesi Bassi | UPS Standard | 1-2 giorni | €7,02 |
| Francia | Colissimo / Chronopost / DPD | 1-3 giorni lavorativi | €7,85 |
| Francia | Colissimo Punto di Ritiro | 1-3 giorni lavorativi | €5,79 |
| Francia | UPS Express Variabile | 1-2 giorni | 0-5 kg | €11,50 5-10 kg | €15,50 10 kg > | €17,50 |
| Lussemburgo | DPD Home | 1-2 giorni lavorativi | €10,50 |
| Lussemburgo | DPD Punto di Ritiro | 1-2 giorni lavorativi | €8,12 |
| Lussemburgo | UPS Express Saver | 1 giorno lavorativo | €10,33 |
| Danimarca | DPD Consegna | 1-3 giorni lavorativi | €8,22 |
| Danimarca | DPD Punto di Ritiro | 1-3 giorni lavorativi | €7,96 |
| Danimarca | UPS Express Variabile | 1-2 giorni lavorativi | 0-5 kg | €18,50 5-10 kg | €27,50 10 kg > | €32,50 |
| Resto del Mondo | UPS Standard Variabile | 5-12 giorni lavorativi | 0-2 kg | €25 2-5 kg | €38 5-10 kg | €64,50 10-15 kg | €83,50 15-20 kg | €110 20-25 kg | €139,50 25 kg > | €174 |
| Resto del Mondo | UPS Express Variabile | 2-5 giorni | 0-2 kg | €39,50 2-5 kg | €50 5-10 kg | €75 10-15 kg | €90,50 15-20 kg | €115 20-25 kg | €139,50 25 kg > | €175 |
| Belgio | DPD Home | 1-2 giorni lavorativi | €4,92 |
| Belgio | DPD Punto di Ritiro | 1-2 giorni lavorativi | €4,54 |
| Belgio | UPS Standard | 1-2 giorni lavorativi | €8,22 |
| Germania | DPD Spedizione | 1-2 giorni lavorativi | €5,00 |
| Germania | DPD Punto di Ritiro Pacchi | 1-2 giorni lavorativi | €5,00 |
| Germania | UPS Express Variabile | 1 giorno lavorativo | 0-5 kg | €9,50 5-10 kg | €12,50 10 kg > | €15 |
| Austria | DPD Home | 2-3 giorni lavorativi | €11,85 |
| Austria | DPD Punto di Ritiro | 2-3 giorni lavorativi | €6,30 |
| Austria | UPS Express Variabile | 1-2 giorni lavorativi | 0-5 kg | €15 5-10 kg | €24,75 10 kg > | €26,86 |
| Svezia | DPD Home | 3-5 giorni lavorativi | €11,60 |
| Svezia | DPD Punto di Ritiro | 3-5 giorni lavorativi | €11,60 |
| Svezia | UPS Express Variabile | 1-2 giorni lavorativi | 0-5 kg | €18,50 5-10 kg | €27,50 10 kg > | €32,50 |
| Ungheria, Polonia, Repubblica Ceca, Slovacchia, Estonia | DPD Home | 3-5 giorni lavorativi | €12 |
| Ungheria, Polonia, Repubblica Ceca, Slovacchia, Estonia | DPD Punto di Ritiro | 3-5 giorni lavorativi | €12 |
| Ungheria, Polonia, Repubblica Ceca, Slovacchia, Estonia | UPS Express Saver | 1-2 giorni lavorativi | €25 |
| Lituania | DPD Home | 3-5 giorni lavorativi | €16,50 |
| Lituania | UPS Access Point | 3-5 giorni lavorativi | €15 |
| Lituania | UPS Express Saver | 1-2 giorni | €22,50 |
| Bielorussia | DPD Home | 5-7 giorni lavorativi | €32,50 |
| Slovenia | DPD Home | 3-5 giorni lavorativi | €15,50 |
| Slovenia | DPD Punto di Ritiro | 3-5 giorni lavorativi | €14,50 |
| Bulgaria, Croazia, Grecia, Romania | UPS Standard | 3-6 giorni lavorativi | €15 |
| Bulgaria, Croazia, Grecia, Romania | UPS Access Point | 3-6 giorni lavorativi | €14,50 |
| Bulgaria, Croazia, Grecia, Romania | UPS Express Variabile | 1-3 giorni lavorativi | 0-5 kg | €19,50 5-10 kg | €29,50 10 kg > | €32,50 |
| Norvegia, Svizzera, Liechtenstein | UPS Standard | 3-5 giorni lavorativi | €22,50 |
| Norvegia, Svizzera, Liechtenstein | UPS Access Point | 3-5 giorni lavorativi | €19,50 |
| Norvegia, Svizzera, Liechtenstein | UPS Express Variabile | 1-2 giorni lavorativi | 0-5 kg | €25 5-10 kg | €27,50 10 kg > | €35 |
| Stati Uniti (USA) | UPS Standard Variabile | 5-10 giorni lavorativi | 0-2 kg | 18,50 € 2-5 kg | 27,50 € 5-10 kg | 39,50 € 10-15 kg | 65,00 € 15-20 kg | 79,50 € 20-25 kg | 89,00 € 25 kg > | 120,00 € |
| Stati Uniti (USA) | UPS Express Variabile | 1-3 giorni lavorativi | 0-2 kg | 22,00 € 2-5 kg | 26,00 € 5-10 kg | 43,00 € 10-15 kg | 67,00 € 15-20 kg | 75,00 € 20-25 kg | 92,00 € 25 kg > | 110,00 € |
* A causa di forza maggiore con i nostri partner di spedizione, i tempi di consegna non possono mai essere garantiti.
In Europa non vengono addebitate IVA o imposte di importazione, a meno che non sia specificato nella fattura.
Si applica l'acquisizione intracomunitaria. Si prega di inserire il numero di partita IVA nel checkout.













Reviews
There are no reviews yet.